Страница 1 из 11
Чертежи
Добавлено: Вс июн 01, 2014 1:22 pm
sspils
Предлогаю выкладывать сюда чертежи, чтоб не искать по всему форуму. Также могу в свободное время зделать чертежи, могу по фото но нужны ориентировочные размеры хотя бы двух точек. И фото лучше делать с долека с максимальным приближением для того чтоб меньше уходил размер в перспективе.
Вот ссылка на сайт, в частности на меня, где я выкладываю чертежи но там не все, для режущих станков в основном нужен формат DXF это для тех кто с того сайта скачает деталь для станка а проги чтоб её открыть нету, с этим файлом можно идти сразу к оператору станка.
https://grabcad.com/valerij-1/projects
И тут, (в этом посте) буду выкладывать простые чертежи.

- выпускной 20кл.jpg (68.7 КБ) 1927 просмотров

- выпускной 20кл.jpg (68.7 КБ) 1927 просмотров
вот пример. ккк 24.....

- выпускной 20кл.jpg (68.7 КБ) 1927 просмотров

- выпускной 20кл.jpg (68.7 КБ) 1927 просмотров
20кл 5цил

- выпускной 20кл.jpg (68.7 КБ) 1927 просмотров

- выпускной 20кл.jpg (68.7 КБ) 1927 просмотров
20кл 4цил.
Переход с 114 гранаты на 86 мм

- выпускной 20кл.jpg (68.7 КБ) 1927 просмотров
Гарет 28

- выпускной 20кл.jpg (68.7 КБ) 1927 просмотров

- выпускной 20кл.jpg (68.7 КБ) 1927 просмотров

- выпускной 20кл.jpg (68.7 КБ) 1927 просмотров
FCP поршень 8.1 строкер

- выпускной 20кл.jpg (68.7 КБ) 1927 просмотров
Выход из вестгейта ауди

- выпускной 20кл.jpg (68.7 КБ) 1927 просмотров

- выпускной 20кл.jpg (68.7 КБ) 1927 просмотров
Вход в вестгейт

- выпускной 20кл.jpg (68.7 КБ) 1927 просмотров
Фланец на выхлоп коллектор на старые V8 32 клапанные

- выпускной 20кл.jpg (68.7 КБ) 1927 просмотров
Фланец заслонки AAN

- выпускной 20кл.jpg (68.7 КБ) 1927 просмотров

- выпускной 20кл.jpg (68.7 КБ) 1927 просмотров

- выпускной 20кл.jpg (68.7 КБ) 1927 просмотров
верхний и нижний размер можно округлить, кому нужна резьба, там М6.

- выпускной 20кл.jpg (68.7 КБ) 1927 просмотров
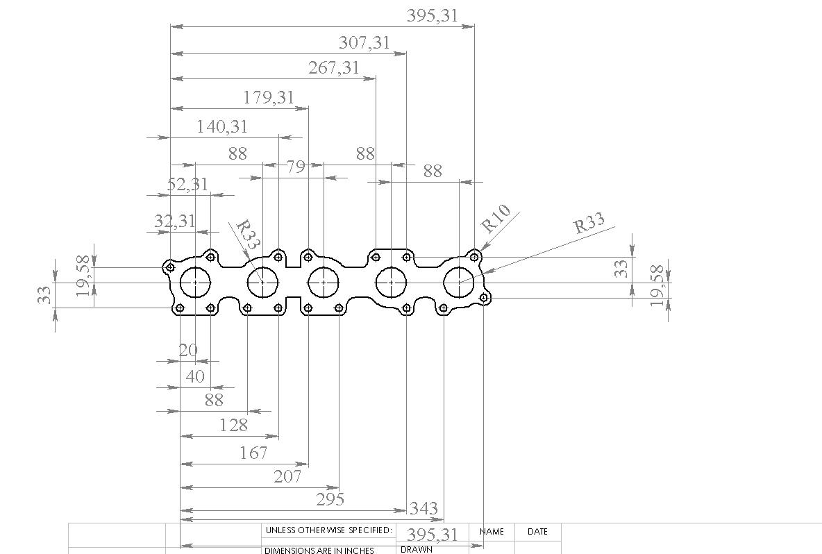
Фланец выпускного коллектора AAN

- выпускной 20кл.jpg (68.7 КБ) 1927 просмотров
С верху резьба за размер гарантию не даю но источник надёжный. позже шайбу добавлю.
Добавлено: Вс июн 01, 2014 2:22 pm
deflector
Огонь тема...! Нужная...
Добавлено: Вс июн 01, 2014 6:48 pm
FRUITCAT
+1000000 очень правильная тема. С краткими пояснениям. И флуда будет меньше
Добавлено: Вс июн 01, 2014 7:16 pm
sspils
мер как по фото делал чертёж для перемещения актуатора для гарета 28.
данный чертёж на левую турбину
Добавлено: Вс июн 01, 2014 8:47 pm
Vetal_36
эбать звездолёт
Добавлено: Вс июн 01, 2014 8:52 pm
sspils
Vetal_36 писал(а):эбать звездолёт
Вложение SAM_3027.JPG больше недоступно
строим потихоньку.
Добавлено: Вс июн 01, 2014 8:53 pm
Илюха S6
выложите кто нибудь чертеж под суппорта 18z. хотелосьбы сравнить со своим.
Добавлено: Вс июн 01, 2014 10:08 pm
jonn48
Чертеж низкого строкерного поршня не имеется?
Добавлено: Пн июн 02, 2014 9:11 am
FRUITCAT
sspils писал(а):[ATTACH=CONFIG]26702[/ATTACH] строим потихоньку.
Выскохудожественно!!!
Добавлено: Пн июн 02, 2014 9:59 am
sspils
jonn48 писал(а):Чертеж низкого строкерного поршня не имеется?
добавил
Добавлено: Пн июн 02, 2014 10:35 am
_ShurikeN
Добавлено: Пн июн 02, 2014 10:45 am
deflector
Вложение палец2.jpg больше недоступно
Направляющие для передних суппортов audi A8 D2
Добавлено: Пн июн 02, 2014 11:29 am
PRO-vokator
Подпись...
Добавлено: Пн июн 02, 2014 12:14 pm
De Viter
втулка для Z17 суппорт под ML-евский тормозной диск на 330
под AMG 55 диск тоже самое только бортик не 11,5 а 4,5 мм
Добавлено: Пн июн 02, 2014 1:49 pm
karec
фланец гбц 4.2 5в
Вложение user1421_pic49690_1400513481.jpg больше недоступно
Добавлено: Пн июн 02, 2014 11:40 pm
Neman
А под Z18 Кайен суппорта и 345 диск есть у кого ?
Добавлено: Вт июн 03, 2014 6:27 am
Jusez
подписка
Добавлено: Вт июн 03, 2014 10:29 am
Илюха S6
Neman писал(а):А под Z18 Кайен суппорта и 345 диск есть у кого ?
никто не выкладывает, сейчас на выходных выточу примерю и выложу
Добавлено: Ср июн 04, 2014 3:46 pm
toluk
полезная тема! автору респект! а нету чертежа переходника под туарегосуппорт для а6 ноги?
Добавлено: Ср июн 04, 2014 4:01 pm
toluk
хотел поставить колеса такие же на 20, и они не влезли, упираются при повороте в брызговик..