Чертежи

Часто задаваемые вопросы

Модераторы: BlindHorse, Patriot.msk

sspils
Местный
Сообщения: 512
Зарегистрирован: Вс фев 14, 2010 9:07 pm
Откуда: Latvija
Контактная информация:

Чертежи

Сообщение sspils »

Предлогаю выкладывать сюда чертежи, чтоб не искать по всему форуму. Также могу в свободное время зделать чертежи, могу по фото но нужны ориентировочные размеры хотя бы двух точек. И фото лучше делать с долека с максимальным приближением для того чтоб меньше уходил размер в перспективе.

Вот ссылка на сайт, в частности на меня, где я выкладываю чертежи но там не все, для режущих станков в основном нужен формат DXF это для тех кто с того сайта скачает деталь для станка а проги чтоб её открыть нету, с этим файлом можно идти сразу к оператору станка. https://grabcad.com/valerij-1/projects

И тут, (в этом посте) буду выкладывать простые чертежи.

выпускной 20кл.jpg
выпускной 20кл.jpg (68.7 КБ) 1923 просмотра
выпускной 20кл.jpg
выпускной 20кл.jpg (68.7 КБ) 1923 просмотра
вот пример. ккк 24.....

выпускной 20кл.jpg
выпускной 20кл.jpg (68.7 КБ) 1923 просмотра
выпускной 20кл.jpg
выпускной 20кл.jpg (68.7 КБ) 1923 просмотра
20кл 5цил
выпускной 20кл.jpg
выпускной 20кл.jpg (68.7 КБ) 1923 просмотра
выпускной 20кл.jpg
выпускной 20кл.jpg (68.7 КБ) 1923 просмотра
20кл 4цил.

Переход с 114 гранаты на 86 мм
выпускной 20кл.jpg
выпускной 20кл.jpg (68.7 КБ) 1923 просмотра

Гарет 28
выпускной 20кл.jpg
выпускной 20кл.jpg (68.7 КБ) 1923 просмотра
выпускной 20кл.jpg
выпускной 20кл.jpg (68.7 КБ) 1923 просмотра
выпускной 20кл.jpg
выпускной 20кл.jpg (68.7 КБ) 1923 просмотра
FCP поршень 8.1 строкер
выпускной 20кл.jpg
выпускной 20кл.jpg (68.7 КБ) 1923 просмотра
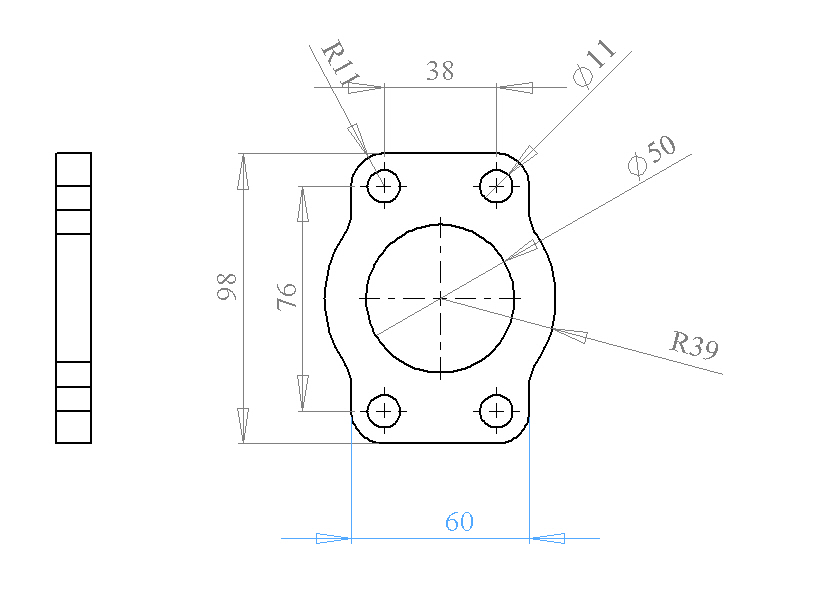
Выход из вестгейта ауди
выпускной 20кл.jpg
выпускной 20кл.jpg (68.7 КБ) 1923 просмотра
выпускной 20кл.jpg
выпускной 20кл.jpg (68.7 КБ) 1923 просмотра
Вход в вестгейт
выпускной 20кл.jpg
выпускной 20кл.jpg (68.7 КБ) 1923 просмотра
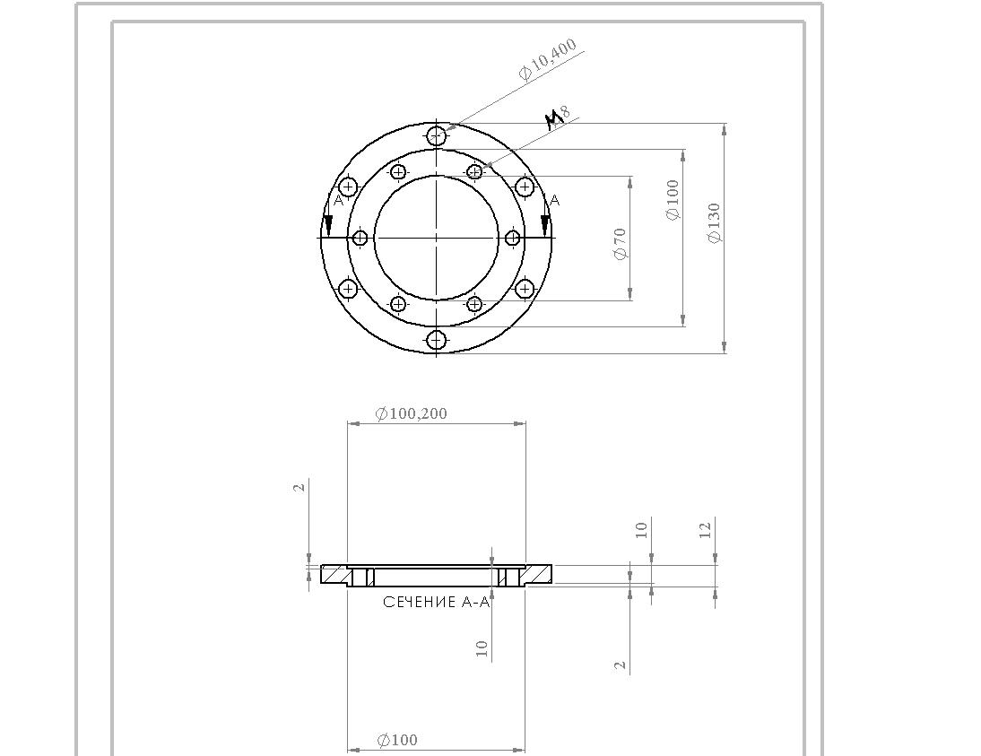
Фланец на выхлоп коллектор на старые V8 32 клапанные
выпускной 20кл.jpg
выпускной 20кл.jpg (68.7 КБ) 1923 просмотра
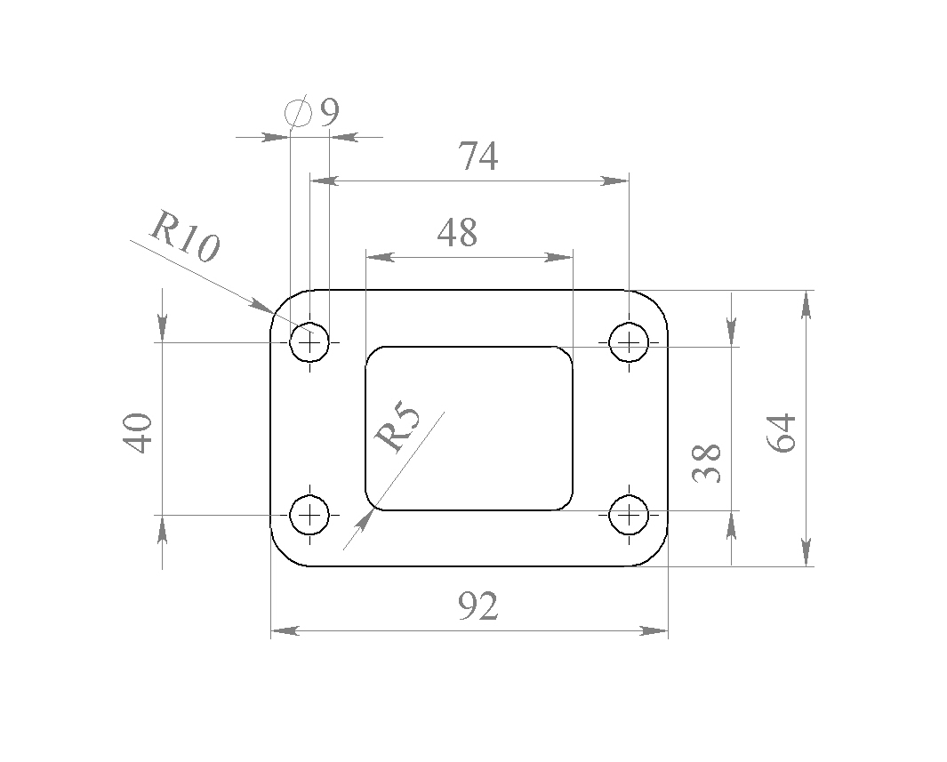
Фланец заслонки AAN
выпускной 20кл.jpg
выпускной 20кл.jpg (68.7 КБ) 1923 просмотра
выпускной 20кл.jpg
выпускной 20кл.jpg (68.7 КБ) 1923 просмотра
выпускной 20кл.jpg
выпускной 20кл.jpg (68.7 КБ) 1923 просмотра
верхний и нижний размер можно округлить, кому нужна резьба, там М6.
выпускной 20кл.jpg
выпускной 20кл.jpg (68.7 КБ) 1923 просмотра
Фланец выпускного коллектора AAN
выпускной 20кл.jpg
выпускной 20кл.jpg (68.7 КБ) 1923 просмотра
С верху резьба за размер гарантию не даю но источник надёжный. позже шайбу добавлю.
Вложения
клапан.JPG
Фланец заслонк&#10.JPG
фланец впуск AAN.JPG
Фланец заслонк&#10.JPG
kollektor.JPG
вход в вестгейт &#.JPG
ауди вестгейт в&#1.JPG
ауди вестгейт в&#1.JPG
поршень FCP 2.5 8.JPG
g28 kol aut.JPG
f g28 aut.JPG
F G28 exhaust.JPG
Perehod c granati 86-114.JPG
SAM_4499.JPG
F-c 1.8T vip KOL.JPG
впускной флане&#10.JPG
впускной флане&#10.JPG
Flanec kollektora KKK26 2 чертёж.JPG
Flanec kollektora KKK26 2.JPG
Аватара пользователя
deflector
Местный
Сообщения: 800
Зарегистрирован: Вс дек 04, 2011 11:46 am
Откуда: Иваново

Сообщение deflector »

Огонь тема...! Нужная...
FRUITCAT
Местный
Сообщения: 4608
Зарегистрирован: Вс фев 09, 2014 12:50 am
Откуда: Москва ЮАО

Сообщение FRUITCAT »

+1000000 очень правильная тема. С краткими пояснениям. И флуда будет меньше
sspils
Местный
Сообщения: 512
Зарегистрирован: Вс фев 14, 2010 9:07 pm
Откуда: Latvija
Контактная информация:

Сообщение sspils »

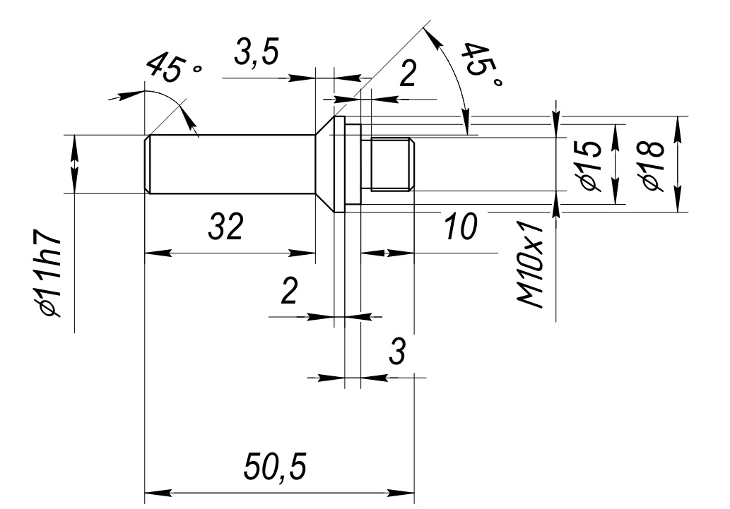
мер как по фото делал чертёж для перемещения актуатора для гарета 28.
F g28 IN lev.JPG
F g28 IN lev.JPG
F g28 IN lev.JPG
данный чертёж на левую турбину
Вложения
DSC03483.JPG
F g28 IN 2.JPG
Аватара пользователя
Vetal_36
Местный
Сообщения: 3575
Зарегистрирован: Вс мар 01, 2009 6:42 pm
Откуда: г. Воронеж

Сообщение Vetal_36 »

эбать звездолёт
sspils
Местный
Сообщения: 512
Зарегистрирован: Вс фев 14, 2010 9:07 pm
Откуда: Latvija
Контактная информация:

Сообщение sspils »

Vetal_36 писал(а):эбать звездолёт
Вложение SAM_3027.JPG больше недоступно
строим потихоньку.
Вложения
SAM_3027.JPG
Илюха S6
Местный
Сообщения: 1550
Зарегистрирован: Вт ноя 29, 2011 8:14 pm
Откуда: Иваново
Контактная информация:

Сообщение Илюха S6 »

выложите кто нибудь чертеж под суппорта 18z. хотелосьбы сравнить со своим.
Аватара пользователя
jonn48
Местный
Сообщения: 4239
Зарегистрирован: Чт окт 21, 2010 2:50 pm
Откуда: Липецк

Сообщение jonn48 »

Чертеж низкого строкерного поршня не имеется?
FRUITCAT
Местный
Сообщения: 4608
Зарегистрирован: Вс фев 09, 2014 12:50 am
Откуда: Москва ЮАО

Сообщение FRUITCAT »

sspils писал(а):[ATTACH=CONFIG]26702[/ATTACH] строим потихоньку.
Выскохудожественно!!!
sspils
Местный
Сообщения: 512
Зарегистрирован: Вс фев 14, 2010 9:07 pm
Откуда: Latvija
Контактная информация:

Сообщение sspils »

jonn48 писал(а):Чертеж низкого строкерного поршня не имеется?
добавил
_ShurikeN
Местный
Сообщения: 2337
Зарегистрирован: Чт дек 04, 2008 5:00 pm
Откуда: С-Петербург

Сообщение _ShurikeN »

WG to downpipe flange.jpg
WG to downpipe flange.jpg
Вложения
Turbo to dwnpipe flange.jpg
Аватара пользователя
deflector
Местный
Сообщения: 800
Зарегистрирован: Вс дек 04, 2011 11:46 am
Откуда: Иваново

Сообщение deflector »

Вложение палец2.jpg больше недоступно
Направляющие для передних суппортов audi A8 D2
Вложения
палец2.jpg
Аватара пользователя
PRO-vokator
Местный
Сообщения: 6154
Зарегистрирован: Пн сен 13, 2010 11:43 pm
Откуда: Kaliningrad

Сообщение PRO-vokator »

Подпись...
Чтобы думать - мозги нужны... ВСЕ ВОПРОСЫ на olegsmol-67@mail.ru
Аватара пользователя
De Viter
Местный
Сообщения: 582
Зарегистрирован: Сб июн 11, 2011 8:24 am
Откуда: калининград

Сообщение De Viter »

втулка для Z17 суппорт под ML-евский тормозной диск на 330
под AMG 55 диск тоже самое только бортик не 11,5 а 4,5 мм
Вложения
втулка в Z17.jpg
audi 100 nf44 avant quattro -> s6 avant aan
Аватара пользователя
karec
Местный
Сообщения: 11308
Зарегистрирован: Вс июл 25, 2010 8:45 pm
Откуда: город

Сообщение karec »

фланец гбц 4.2 5в
Вложение user1421_pic49690_1400513481.jpg больше недоступно
Вложения
user1421_pic49690_1400513481.jpg
торг в ашане!http://vag-cars.ru/
Аватара пользователя
Neman
Местный
Сообщения: 12108
Зарегистрирован: Вт фев 28, 2012 10:16 pm
Откуда: СПБ Павловск

Сообщение Neman »

А под Z18 Кайен суппорта и 345 диск есть у кого ?
Spb-"Speed Garage"

Представитель прошивки (сток-стокчип) Димы PRJ в Санкт-Петербурге.

Самый надёжный план: "Похуй, на месте разберёмся!"

мое добро: http://www.drive2.ru/cars/audi/s6/s6_c4/neman98/

Автозапчасти по оптовым ценам.
Аватара пользователя
Jusez
Местный
Сообщения: 814
Зарегистрирован: Сб июл 04, 2009 7:58 pm
Откуда: Н.Новгород

Сообщение Jusez »

подписка
Audi A8 3,7 AT quattro (1997 )
Audi 90b2 >>>4,2 MT quattro (1985 )
Илюха S6
Местный
Сообщения: 1550
Зарегистрирован: Вт ноя 29, 2011 8:14 pm
Откуда: Иваново
Контактная информация:

Сообщение Илюха S6 »

Neman писал(а):А под Z18 Кайен суппорта и 345 диск есть у кого ?
никто не выкладывает, сейчас на выходных выточу примерю и выложу
Аватара пользователя
toluk
Местный
Сообщения: 2109
Зарегистрирован: Вт окт 04, 2011 3:41 am
Откуда: Луга

Сообщение toluk »

полезная тема! автору респект! а нету чертежа переходника под туарегосуппорт для а6 ноги?
Аватара пользователя
toluk
Местный
Сообщения: 2109
Зарегистрирован: Вт окт 04, 2011 3:41 am
Откуда: Луга

Сообщение toluk »

хотел поставить колеса такие же на 20, и они не влезли, упираются при повороте в брызговик..
Ответить