Гидро ручник. да или нет?
Гидро ручник. да или нет?
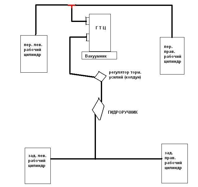
Раз руки дошли до переделки ГУТ на ВУТ и все равно меняется половина тормозных трубок в моей голове созрела идея оставить место в тормозной магистрали под гидро ручник…машина все таки готовится для "спорта" и хороший ручник не повредит…но меня терзают дикие сомнения как поведет себя система полного привода при полной блокировке задних колес на ходу…Кто делал себе расскажите про подводные камни.
ну имхо, блокировать только при выжатом сцепленииAhe писал(а):Раз руки дошли до переделки ГУТ на ВУТ и все равно меняется половина тормозных трубок в моей голове созрела идея оставить место в тормозной магистрали под гидро ручник…машина все таки готовится для "спорта" и хороший ручник не повредит…но меня терзают дикие сомнения как поведет себя система полного привода при полной блокировке задних колес на ходу…Кто делал себе расскажите про подводные камни.[ATTACH=CONFIG]46665[/ATTACH]
- Сережка 090
- Местный
- Сообщения: 1697
- Зарегистрирован: Вс мар 31, 2013 7:57 pm
- Откуда: Омск
- Kulibinw12
- Местный
- Сообщения: 1762
- Зарегистрирован: Чт апр 05, 2012 12:00 am
- Откуда: Мурманск
-
Гриценко Вячеслав
- Местный
- Сообщения: 4538
- Зарегистрирован: Ср сен 17, 2008 5:17 am
- Откуда: г.Новосибирск