Страница 1 из 1
Направляющие для A8 суппортов
Добавлено: Чт май 22, 2014 3:32 pm
deflector
Ребят, моим направляющим пиздец...
Кто может помочь с чертежами и изготовлением их?
Те чертежы, что на форумах as8.ru какие то кривые..
В иванове нашем заебался искать, кто из нержи может выточить...
Помогите, а)
Добавлено: Чт май 22, 2014 3:41 pm
karec
у а8 было около 20 разных суппортов.и это только по морде.о чем речь?
Добавлено: Чт май 22, 2014 4:15 pm
deflector
A8 D2 дорестаил))
передние)
Добавлено: Чт май 22, 2014 4:16 pm
deflector
Думаю, что только у этих проблема с направляющими.
Для остальных можно заказать...
Добавлено: Чт май 22, 2014 5:52 pm
karec
выкинь их и поставь нормальные тормоза.это самое лучшее что ты можешь сделать.
Добавлено: Чт май 22, 2014 6:20 pm
Kansta
karec писал(а):выкинь их и поставь нормальные тормоза.это самое лучшее что ты можешь сделать.
А что с ними не так ,когда машина в стоке? Нужно регулярное ТО и все будет норм. Хуже НЛО уже нет!
Добавлено: Пт май 23, 2014 12:44 am
deflector
karec писал(а):выкинь их и поставь нормальные тормоза.это самое лучшее что ты можешь сделать.
Блядь! я стойки то немогу купить, денек нет, а ты про покупку новых тормозов....
В скором времени будет замена тормозов, но не сейчас...
а сейчас тормоза в разобраном виде с новым ремкомплектом, нужны направляющие к ним....
Добавлено: Пт май 23, 2014 1:04 am
YRA
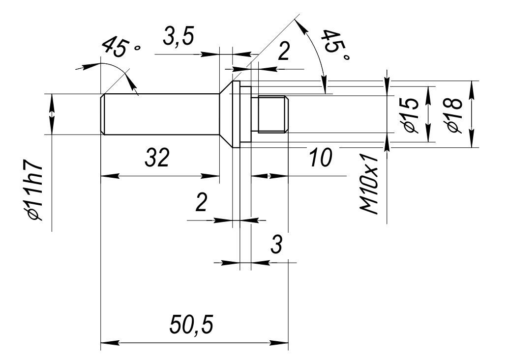
Поищи на авосечном форуме

резьба м10х1.25
Добавлено: Пт май 23, 2014 1:06 am
YRA
Добавлено: Пт май 23, 2014 9:56 am
karec
Kansta писал(а):А что с ними не так ,когда машина в стоке? Нужно регулярное ТО и все будет норм. Хуже НЛО уже нет!
мне кажется что даже если машина в стоке,которая способна разогнаться до 200 и относительно быстро,она должна еще и остановится с 200. стоковые что рест что дорест тормоза это позволяют всего лишь один раз,после этого ты рискуешь въебаться в кого нить на сотне.
Добавлено: Пт май 23, 2014 4:19 pm
diesel.srt
Сейчас начнутся вопросы, а какие тогда тормоза нормальные и чтоб 16 диски налезли ))))))))
Добавлено: Пт май 23, 2014 4:44 pm
XellMell
Kansta писал(а):А что с ними не так ,когда машина в стоке? Нужно регулярное ТО и все будет норм. Хуже НЛО уже нет!
Вот не соглашусь, НЛО заебись, но дорого.
Добавлено: Пт май 23, 2014 4:48 pm
deflector
diesel.srt писал(а):Сейчас начнутся вопросы, а какие тогда тормоза нормальные и чтоб 16 диски налезли ))))))))
Задай его первым....
Добавлено: Пт май 23, 2014 5:23 pm
diesel.srt
Я сам на погремушках передвигаюсь сейчас, менять не собираюсь т.к. есть еще комплект дисков новых и колодок в запасе. Укатаю - может и задумаюсь о переходе на брембы е38