Связь ХХ и климата, вопрос телезрителей
- canabiez
- Местный
- Сообщения: 1679
- Зарегистрирован: Чт ноя 29, 2012 7:43 am
- Откуда: Ярославль
- Контактная информация:
Связь ХХ и климата, вопрос телезрителей
Уважаемые знатоки!
В н-ный разсоздаю тему, теперь записал видео наглядное чтобы было все видно без объяснений!
Мужики, я понимаю что проблема не простая, вы помогите хоть логикой взять почему такое может быть.
Я уже запарился в пробках коптить по 1000 оборотов.
http://youtu.be/02SQZaCEnys
В н-ный разсоздаю тему, теперь записал видео наглядное чтобы было все видно без объяснений!
Мужики, я понимаю что проблема не простая, вы помогите хоть логикой взять почему такое может быть.
Я уже запарился в пробках коптить по 1000 оборотов.
http://youtu.be/02SQZaCEnys
Audi A6 c4 2.8 AAH AКПП
- BlindHorse
- Местный
- Сообщения: 15745
- Зарегистрирован: Ср мар 07, 2007 7:33 am
- Откуда: Анжеро-Судженск
- Контактная информация:
- BlindHorse
- Местный
- Сообщения: 15745
- Зарегистрирован: Ср мар 07, 2007 7:33 am
- Откуда: Анжеро-Судженск
- Контактная информация:
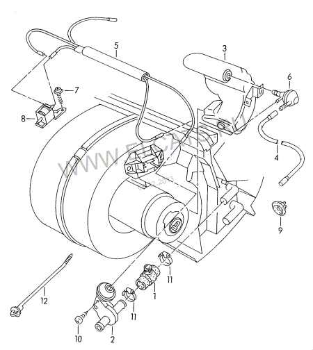
Климат ничего не повышает. У тебя дырка по вакууму, поэтому обороты и завышены, что воздух подсасывает в обход РХХ. А кран на отопителе, управляемый климатом эту дыру периодически закрывает, когда работает на охлаждение. Схема тупо из Экзиста вакуумных трубок всё показывает что куда откуда.
Юр, откуда у тебя руки растут всем давно известно и факт
(с) Patriot
- BlindHorse
- Местный
- Сообщения: 15745
- Зарегистрирован: Ср мар 07, 2007 7:33 am
- Откуда: Анжеро-Судженск
- Контактная информация:
Да, эта схема как раз управления клапаном подачи ОЖ в отопитель. Трубка 4 идет к впускному коллектору, найди её отсоедини и заткни штуцер на коллекторе - должно всё нормализоваться с оборотами. Если станет норм, то смотри правильность подключения клапана 8 и трубок от него к клапану 2 и ресиверу 3.canabiez писал(а):[ATTACH=CONFIG]20935[/ATTACH]
Это?
Юр, откуда у тебя руки растут всем давно известно и факт
(с) Patriot
- BlindHorse
- Местный
- Сообщения: 15745
- Зарегистрирован: Ср мар 07, 2007 7:33 am
- Откуда: Анжеро-Судженск
- Контактная информация:
- canabiez
- Местный
- Сообщения: 1679
- Зарегистрирован: Чт ноя 29, 2012 7:43 am
- Откуда: Ярославль
- Контактная информация:
Сегодня все проверил. Плдключением как у тебя на фотках и схеме. Снимал шланг который на коллектив идет. Он засасывает. Затыкаю его и газую - разницы никакой. Все как было так и осталось. Все шланги целые. Соединения крепкие хоть и не намертво. Прежний хозяин говорит что это только зимой и в холодные времена года начиналось. Тоже не знал что такое. Какие еще могут быть причины? Ошибок по климату 0, блок другой ставил
Audi A6 c4 2.8 AAH AКПП
Сколько не встречал эсок,так у всех,при включении климата зимой обороты более 900.Забей.canabiez писал(а):Сегодня все проверил. Плдключением как у тебя на фотках и схеме. Снимал шланг который на коллектив идет. Он засасывает. Затыкаю его и газую - разницы никакой. Все как было так и осталось. Все шланги целые. Соединения крепкие хоть и не намертво. Прежний хозяин говорит что это только зимой и в холодные времена года начиналось. Тоже не знал что такое. Какие еще могут быть причины? Ошибок по климату 0, блок другой ставил
- BlindHorse
- Местный
- Сообщения: 15745
- Зарегистрирован: Ср мар 07, 2007 7:33 am
- Откуда: Анжеро-Судженск
- Контактная информация:
- BlindHorse
- Местный
- Сообщения: 15745
- Зарегистрирован: Ср мар 07, 2007 7:33 am
- Откуда: Анжеро-Судженск
- Контактная информация:
у знакомых есть такие же авто?как у них с этим делом?canabiez писал(а):Сегодня все проверил. Плдключением как у тебя на фотках и схеме. Снимал шланг который на коллектив идет. Он засасывает. Затыкаю его и газую - разницы никакой. Все как было так и осталось. Все шланги целые. Соединения крепкие хоть и не намертво. Прежний хозяин говорит что это только зимой и в холодные времена года начиналось. Тоже не знал что такое. Какие еще могут быть причины? Ошибок по климату 0, блок другой ставил
Не хочешь слушать - ебись сам или слушай "умников" других(С)BlindHorse
Господи, неужели эта машина еще ездит??? (С)dimka13
Но самое главное эска на не аутентичной турбе превращается в детский конструктор и автоматически теряет цену.(C)Cкиталец
Господи, неужели эта машина еще ездит??? (С)dimka13
Но самое главное эска на не аутентичной турбе превращается в детский конструктор и автоматически теряет цену.(C)Cкиталец
Юр а у себя видео можешь снять?разве не мозги поднимают обороты для работы компрессора климы?BlindHorse писал(а):Да нифига подобного )
Не хочешь слушать - ебись сам или слушай "умников" других(С)BlindHorse
Господи, неужели эта машина еще ездит??? (С)dimka13
Но самое главное эска на не аутентичной турбе превращается в детский конструктор и автоматически теряет цену.(C)Cкиталец
Господи, неужели эта машина еще ездит??? (С)dimka13
Но самое главное эска на не аутентичной турбе превращается в детский конструктор и автоматически теряет цену.(C)Cкиталец
да три машины!у всех надо шланги чинитьjonn48 писал(а):В октябре в Воронеже вспомни,у меня,Майка,у тебя так же было,когда вагком цепляли.
Не хочешь слушать - ебись сам или слушай "умников" других(С)BlindHorse
Господи, неужели эта машина еще ездит??? (С)dimka13
Но самое главное эска на не аутентичной турбе превращается в детский конструктор и автоматически теряет цену.(C)Cкиталец
Господи, неужели эта машина еще ездит??? (С)dimka13
Но самое главное эска на не аутентичной турбе превращается в детский конструктор и автоматически теряет цену.(C)Cкиталец
- BlindHorse
- Местный
- Сообщения: 15745
- Зарегистрирован: Ср мар 07, 2007 7:33 am
- Откуда: Анжеро-Судженск
- Контактная информация: