Ауди 80 кватра версия AANG

описание ваших трудов и стараний.
отчеты по эксплуатации, отчеты о тюнинге.
Gluk
Местный
Сообщения: 499
Зарегистрирован: Чт сен 23, 2010 5:55 am
Откуда: Алма-Ата

Ауди 80 кватра версия AANG

Сообщение Gluk »

Приветствую! Немного фото работ после некоторого чтения форума. По мере жизни журнал буду пополнять.
Вложения
1336913760680.jpg
1334386232876.jpg
DSC03939.JPG
1345367630049.jpg
1345367605711.jpg
1342241191967.jpg
1336909758088.jpg
1334582920351.jpg
1334582804273.jpg
Аватара пользователя
igor007
Местный
Сообщения: 2196
Зарегистрирован: Ср апр 27, 2011 1:38 pm
Откуда: Москва
Контактная информация:

Сообщение igor007 »

Норм, че :ab:
"ГСК" - Гараж Скоростного Кала
_ShurikeN
Местный
Сообщения: 2337
Зарегистрирован: Чт дек 04, 2008 5:00 pm
Откуда: С-Петербург

Сообщение _ShurikeN »

Так рассказывай, что за поршни, что за сцепление?
Основной радиатор ОЖ в алюминиевый маслоподдон не упирается?
Место для радиатора кондея осталось?
Gluk
Местный
Сообщения: 499
Зарегистрирован: Чт сен 23, 2010 5:55 am
Откуда: Алма-Ата

Сообщение Gluk »

поршни AAN б/у стандарт, блок NG гильзован, поддон 7а-зв, кондей сохранен :) сцепление сакс, брал комплектом для AAN маховика, маховик двухмассовый, но уже ждет своего часа TD-маховик с корзиной и диском.
впуск сделан из 3в коллектора, аля вагнер.
прошивка пока сток, потом буду думать что залить или переходить на другой мозг.
почти на все вопросы что возникали ответы были найдены на форуме :)
Аватара пользователя
ASheff
Местный
Сообщения: 5452
Зарегистрирован: Вс фев 12, 2012 3:38 am
Откуда: РнД

Сообщение ASheff »

Gluk писал(а): блок NG гильзован
покажи :)

а то не разу гильзацию не видел...
Gluk
Местный
Сообщения: 499
Зарегистрирован: Чт сен 23, 2010 5:55 am
Откуда: Алма-Ата

Сообщение Gluk »

ASheff писал(а):покажи :)

а то не разу гильзацию не видел...
не понял, что значит в данном случае "покажи"? что именно? :)
Аватара пользователя
ASheff
Местный
Сообщения: 5452
Зарегистрирован: Вс фев 12, 2012 3:38 am
Откуда: РнД

Сообщение ASheff »

Gluk писал(а):не понял, что значит в данном случае "покажи"? что именно? :)
Ну сами гильзы.. и как они сидят в блоке :)
Gluk
Местный
Сообщения: 499
Зарегистрирован: Чт сен 23, 2010 5:55 am
Откуда: Алма-Ата

Сообщение Gluk »

на фото выше уже загильзованный блок. сами гильзы выглядят как обычные трубы. сидят они плотно потому что запрессовываются в расточенные под их размеры цилиндры блока. я использовал гильзы от фв каравелла 81мм в диаметре, они немного длиньше чем требуется поэтому обрезаются немного.
Вложения
untitled.jpg
untitled1.jpg
Аватара пользователя
ASheff
Местный
Сообщения: 5452
Зарегистрирован: Вс фев 12, 2012 3:38 am
Откуда: РнД

Сообщение ASheff »

Gluk писал(а):на фото выше уже загильзованный блок. сами гильзы выглядят как обычные трубы. сидят они плотно потому что запрессовываются в расточенные под их размеры цилиндры блока. я использовал гильзы от фв каравелла 81мм в диаметре, они немного длиньше чем требуется поэтому обрезаются немного. фото гильз позже скину, или можешь сам найти в гугле-картинки забив гильза цилиндра
А, ну ясно в общем.. а толщина их какая? хоть примерно..
Gluk
Местный
Сообщения: 499
Зарегистрирован: Чт сен 23, 2010 5:55 am
Откуда: Алма-Ата

Сообщение Gluk »

2-3 мм примерно этих. точно не помню. они вообще разные всякие бывают, сухие, мокрые и т.п.
Аватара пользователя
StЁpa
Местный
Сообщения: 2637
Зарегистрирован: Чт окт 04, 2007 1:32 am
Откуда: Москва

Сообщение StЁpa »

Коллектор брутальный, заебатый. Только зачем ты так со сливом масла морочился. Гораздо проще дырку в блоке просверлить, там даже резьба с завода должна быть. Ну и шланг поставить родной от аан. Молодец.
www.s-garage.ru если не ответил в теме пишите лучше в личку.
Gluk
Местный
Сообщения: 499
Зарегистрирован: Чт сен 23, 2010 5:55 am
Откуда: Алма-Ата

Сообщение Gluk »

Для меня смысла сверлить блок не было так как там компрессор кондера остался жить. Вот по этому пришлось искать поддон трибе и мудрить со сливом. Спасибо за похвалу. Приятно блин :)
Сергей 80
Местный
Сообщения: 205
Зарегистрирован: Вт янв 11, 2011 3:23 pm
Откуда: Днепропетровск

Сообщение Сергей 80 »

Отлично!Главное,все красиво и практически по заводу!
Аватара пользователя
Eisbar
Местный
Сообщения: 3147
Зарегистрирован: Пн апр 20, 2009 4:56 pm
Откуда: Moskau
Контактная информация:

Сообщение Eisbar »

коллектор на ж/б блок похож))) но зато дросель теперь стоит так, что и батарею оставил на месте и трубы под кулер легли хорошо! кулер впечатляет)))
всё хорошо, молодец! один вопрос - что за сливное очко от ванны на первой фотке?))))))))
~ Morgendammerung Der Heiden ~
Аватара пользователя
ASheff
Местный
Сообщения: 5452
Зарегистрирован: Вс фев 12, 2012 3:38 am
Откуда: РнД

Сообщение ASheff »

Eisbar писал(а):что за сливное очко от ванны на первой фотке?))))))))
приемная сетка насоса видать.. :)
Аватара пользователя
Neman
Местный
Сообщения: 12108
Зарегистрирован: Вт фев 28, 2012 10:16 pm
Откуда: СПБ Павловск

Сообщение Neman »

Красава.
Spb-"Speed Garage"

Представитель прошивки (сток-стокчип) Димы PRJ в Санкт-Петербурге.

Самый надёжный план: "Похуй, на месте разберёмся!"

мое добро: http://www.drive2.ru/cars/audi/s6/s6_c4/neman98/

Автозапчасти по оптовым ценам.
Gluk
Местный
Сообщения: 499
Зарегистрирован: Чт сен 23, 2010 5:55 am
Откуда: Алма-Ата

Сообщение Gluk »

Это бюджетный вариант решения проблемы рассыпающегося маслоприемника :) зря балдеете, это надежнее чем ставить новую резину которая задубеет от горячего масла потом расыпится и забъет маслоканал и угробит мотор. У кого то даже здесь такое случалось.
Я долго думал как решить этот вопрос а решение оказалось перед носом когда мыл руки от мазута после очередного подхода к машине :)
Вложения
1334582827162.jpg
_ShurikeN
Местный
Сообщения: 2337
Зарегистрирован: Чт дек 04, 2008 5:00 pm
Откуда: С-Петербург

Сообщение _ShurikeN »

Поясни, плз, что за резинка? Держал в руках несколько разных маслоприемников от старый атмо R5, нигде не было никаких резинок. Отличались только глубиной маслоприемника и сетками.
Gluk
Местный
Сообщения: 499
Зарегистрирован: Чт сен 23, 2010 5:55 am
Откуда: Алма-Ата

Сообщение Gluk »

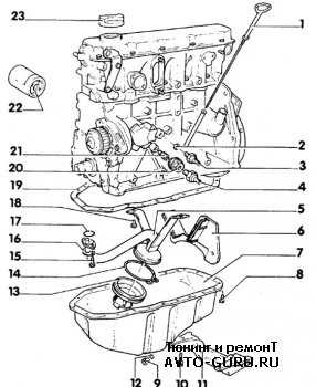
вот здесь под номером 13

вот еще фото из темы Starman-а
http://turbo-quattro.com/showthread.php ... 0%A0%D0%9C!!!
Вложения
26072011582.jpg
26072011582.jpg (45.38 КБ) 442 просмотра
26072011581.jpg
26072011581.jpg (47.48 КБ) 424 просмотра
1186326910_1.jpg
_ShurikeN
Местный
Сообщения: 2337
Зарегистрирован: Чт дек 04, 2008 5:00 pm
Откуда: С-Петербург

Сообщение _ShurikeN »

понятно, я всегда думал, что это пластмасска )

...на AAR такая штука есть, и маслоприёмник с крупной сеткой. На старом дорестайловом NG, похоже, этой штуки нет, и сетка мелкая.
Ответить