Кнопка отключения АБС
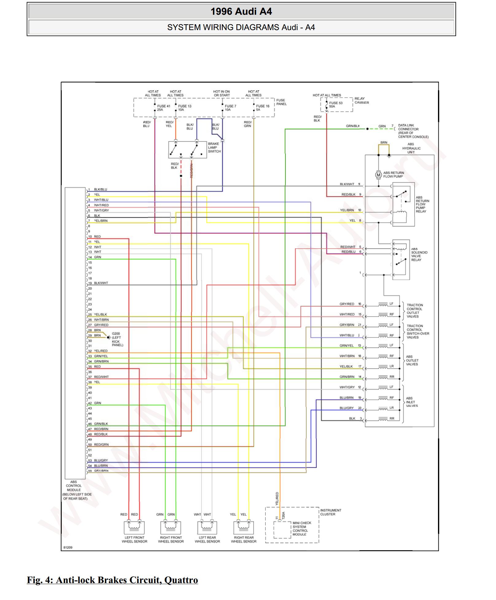
кнопкой с фиксациейRomich писал(а):[ATTACH=CONFIG]22906[/ATTACH][ATTACH=CONFIG]22907[/ATTACH]Нашел 2 схемы для S4 с кнопкой и без. Сигнал приходит на 1й контакт ЭБУ. Вопрос как это реализовать без релюшки?
Не хочешь слушать - ебись сам или слушай "умников" других(С)BlindHorse
Господи, неужели эта машина еще ездит??? (С)dimka13
Но самое главное эска на не аутентичной турбе превращается в детский конструктор и автоматически теряет цену.(C)Cкиталец
Господи, неужели эта машина еще ездит??? (С)dimka13
Но самое главное эска на не аутентичной турбе превращается в детский конструктор и автоматически теряет цену.(C)Cкиталец
- Romich
- Местный
- Сообщения: 1961
- Зарегистрирован: Вс сен 09, 2007 1:19 pm
- Откуда: г.Дзержинск
- Контактная информация:
В разрыв какого провода лучше подрубаться чтобы ошибок не наловить? Нада намутить тогда кнопку обогрева заднего стекла с таймером))) Для покатушек 10 мин хватит, потом абс сама врубится))))Dimka V8 писал(а):кнопкой с фиксацией
Планы на будущее, несоответствующие вашим финансовым, умственным и физическим возможностям, называются мечтами.
Предохранителя,подойдет кнопка туманок.При отключении АВS будет выносить мозг приборка,пищанием восклицательного знакаRomich писал(а):В разрыв какого провода лучше подрубаться чтобы ошибок не наловить? Нада намутить тогда кнопку обогрева заднего стекла с таймером))) Для покатушек 10 мин хватит, потом абс сама врубится))))
Не хочешь слушать - ебись сам или слушай "умников" других(С)BlindHorse
Господи, неужели эта машина еще ездит??? (С)dimka13
Но самое главное эска на не аутентичной турбе превращается в детский конструктор и автоматически теряет цену.(C)Cкиталец
Господи, неужели эта машина еще ездит??? (С)dimka13
Но самое главное эска на не аутентичной турбе превращается в детский конструктор и автоматически теряет цену.(C)Cкиталец
тебе по ходу не нужна...Andreit4 писал(а):да, красивая, нужная кнопка.... не правда ли, Дим???
Не хочешь слушать - ебись сам или слушай "умников" других(С)BlindHorse
Господи, неужели эта машина еще ездит??? (С)dimka13
Но самое главное эска на не аутентичной турбе превращается в детский конструктор и автоматически теряет цену.(C)Cкиталец
Господи, неужели эта машина еще ездит??? (С)dimka13
Но самое главное эска на не аутентичной турбе превращается в детский конструктор и автоматически теряет цену.(C)Cкиталец
Romich писал(а):Меня что то осенило - кнопка то при нажатии замыкает цепь, а мне надо при нажатии ее размыкать. Получается что все же придется реле вешать?
Не хочешь слушать - ебись сам или слушай "умников" других(С)BlindHorse
Господи, неужели эта машина еще ездит??? (С)dimka13
Но самое главное эска на не аутентичной турбе превращается в детский конструктор и автоматически теряет цену.(C)Cкиталец
Господи, неужели эта машина еще ездит??? (С)dimka13
Но самое главное эска на не аутентичной турбе превращается в детский конструктор и автоматически теряет цену.(C)Cкиталец
по умолчанию на этой машине ,ABS-не отключается ,можно ещё блокировку дифа поставитьRomich писал(а):Неэстэтично)))) По умолчанию все кнопки должны быть вровень))) И по умолчанию абс работает
Не хочешь слушать - ебись сам или слушай "умников" других(С)BlindHorse
Господи, неужели эта машина еще ездит??? (С)dimka13
Но самое главное эска на не аутентичной турбе превращается в детский конструктор и автоматически теряет цену.(C)Cкиталец
Господи, неужели эта машина еще ездит??? (С)dimka13
Но самое главное эска на не аутентичной турбе превращается в детский конструктор и автоматически теряет цену.(C)Cкиталец
- Romich
- Местный
- Сообщения: 1961
- Зарегистрирован: Вс сен 09, 2007 1:19 pm
- Откуда: г.Дзержинск
- Контактная информация:
Кваттро) Блокировку не хочу - у меня торсен в заднем редукторе. Надо будет вот еще кнопку отключения задних колонок из этой кнопки 893035785 01C замутить, потому что радио слушать хочу, но то бабушка, то дети жалуются что им по ушам долбит.Dimka V8 писал(а):по умолчанию на этой машине ,ABS-не отключается ,можно ещё блокировку дифа поставитьили у тебя моно?
Планы на будущее, несоответствующие вашим финансовым, умственным и физическим возможностям, называются мечтами.
-
Илюха S6
- Местный
- Сообщения: 1550
- Зарегистрирован: Вт ноя 29, 2011 8:14 pm
- Откуда: Иваново
- Контактная информация:
ставь панель от траллика, там достаточно тумблеров на все случаи жизни хватит)))Romich писал(а):Кваттро) Блокировку не хочу - у меня торсен в заднем редукторе. Надо будет вот еще кнопку отключения задних колонок из этой кнопки 893035785 01C замутить, потому что радио слушать хочу, но то бабушка, то дети жалуются что им по ушам долбит.
- Бешеный GT
- Местный
- Сообщения: 8721
- Зарегистрирован: Вт апр 12, 2011 5:27 pm
- Откуда: Москва СЗАО ,ЦАО
- Бешеный GT
- Местный
- Сообщения: 8721
- Зарегистрирован: Вт апр 12, 2011 5:27 pm
- Откуда: Москва СЗАО ,ЦАО