ЭБУ ЭСП

Ремонт, обслуживание. Полезные советы.
Аватара пользователя
Valior
Местный
Сообщения: 2357
Зарегистрирован: Вс июл 25, 2010 8:20 am
Откуда: Тамбов

ЭБУ ЭСП

Сообщение Valior »

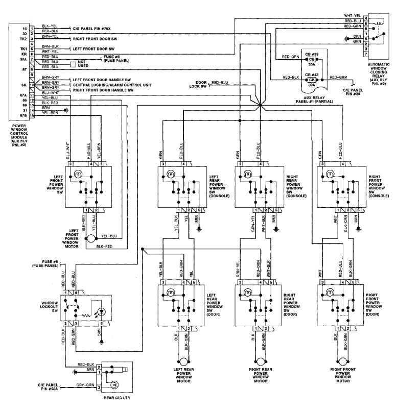
Кто нибудь задавался вопросм как работает сабж?
Эл. схема может есть?
2й год мучаюсь с разрядом АКБ с наступлением холодов.
Менял несколько реле.
Вложение 7a02912s-960.jpg больше недоступно
Подключал тревожную кнопку на срабатывание эл мотора вод. двери. не срабатыавет. Но подсветку кнопок включает. Хотелось бы разобраться. Ток разряда - 2,5А. При выдергивании реле - 270мА. Реле проверял. Поэлементно все исправно.
Вложения
7a02912s-960.jpg
Audi S4 92г. RS2 какашка(
Аватара пользователя
BlindHorse
Местный
Сообщения: 15745
Зарегистрирован: Ср мар 07, 2007 7:33 am
Откуда: Анжеро-Судженск
Контактная информация:

Сообщение BlindHorse »

Купил исправное реле у Олега провокатора и всё прошло. У него их есть ещё несколько.
Юр, откуда у тебя руки растут всем давно известно и факт :bs: (с) Patriot
Аватара пользователя
Valior
Местный
Сообщения: 2357
Зарегистрирован: Вс июл 25, 2010 8:20 am
Откуда: Тамбов

Сообщение Valior »

BlindHorse писал(а):Купил исправное реле у Олега провокатора и всё прошло. У него их есть ещё несколько.
Такая же история, ровно до наступлении я холодов. Может есть у кого схема? Сам блок не может давать ток разряда 2.5А...
Audi S4 92г. RS2 какашка(
Аватара пользователя
odessit89
Местный
Сообщения: 2232
Зарегистрирован: Ср авг 13, 2008 11:31 am
Откуда: г.Нвый Уренгой

Сообщение odessit89 »

Valior писал(а):Кто нибудь задавался вопросм как работает сабж?
Эл. схема может есть?
2й год мучаюсь с разрядом АКБ с наступлением холодов.
Менял несколько реле.
[ATTACH=CONFIG]59778[/ATTACH]
Подключал тревожную кнопку на срабатывание эл мотора вод. двери. не срабатыавет. Но подсветку кнопок включает. Хотелось бы разобраться. Ток разряда - 2,5А. При выдергивании реле - 270мА. Реле проверял. Поэлементно все исправно.
Такая же хрень, зимой без реле езжу,
Менял реле толку ноль!
Аватара пользователя
odessit89
Местный
Сообщения: 2232
Зарегистрирован: Ср авг 13, 2008 11:31 am
Откуда: г.Нвый Уренгой

Сообщение odessit89 »

Ответить