Куплю верхнюю опору амортизатора quattro B4/B5

Ну тут все и так понятно :)
Аватара пользователя
Lanets
Пользователь
Сообщения: 46
Зарегистрирован: Пт ноя 09, 2012 11:48 pm
Откуда: Msk

Куплю верхнюю опору амортизатора quattro B4/B5

Сообщение Lanets »

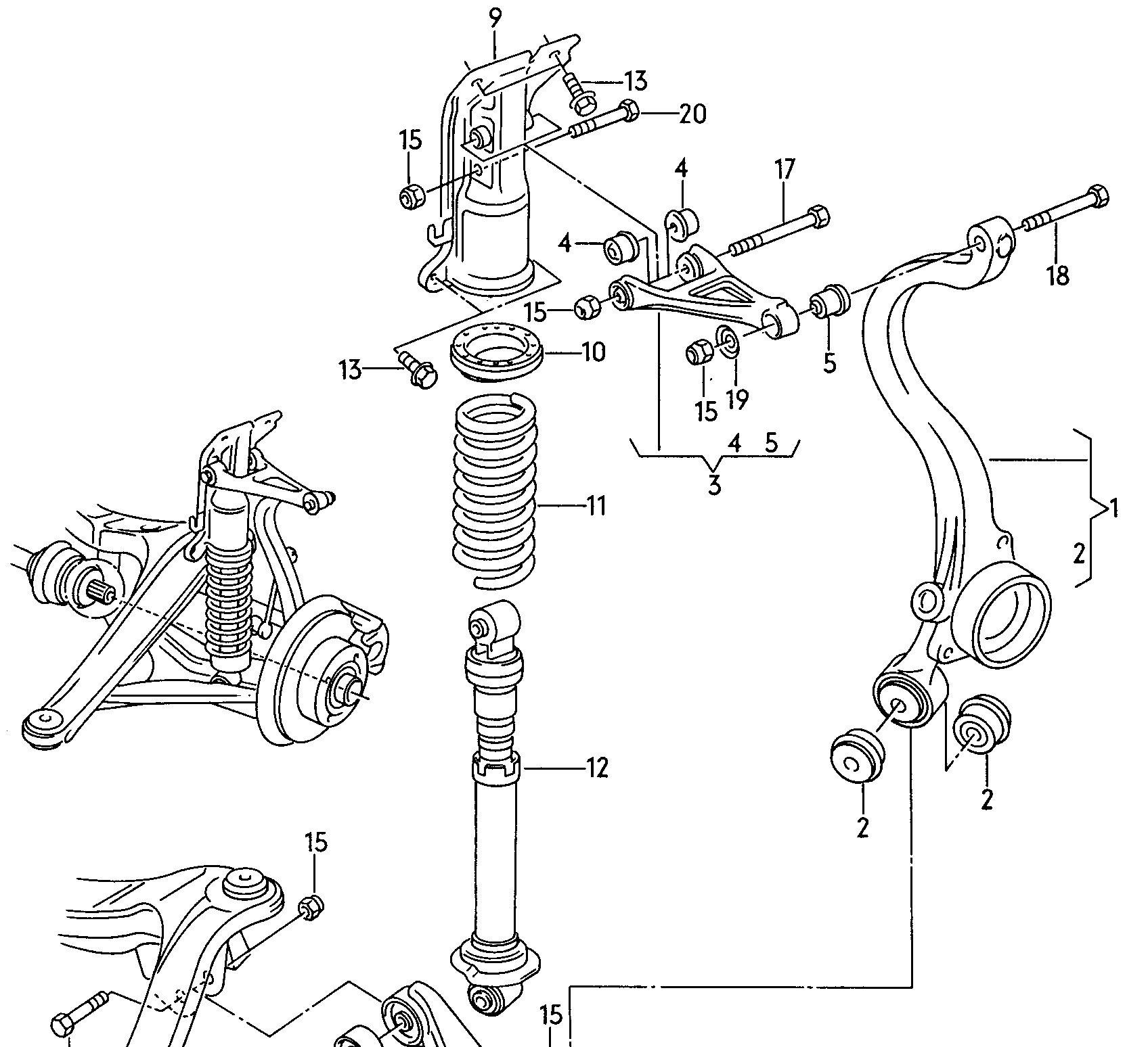
Cобственно, неспешно ищутся верхние опоры, те, что под номером 9 на схеме. Без гнили и ржавчины, если такое еще возможно))
Вложение Схема.jpg больше недоступно
8D0 512 341
8D0 512 342


Нужно на В5. Как понял из етки, также подойдут эти опоры от В4, если неправ, поправьте.
Вложения
Схема.jpg
Аватара пользователя
Lanets
Пользователь
Сообщения: 46
Зарегистрирован: Пт ноя 09, 2012 11:48 pm
Откуда: Msk

Сообщение Lanets »

Апнем, в поиске деталей к весеннему ребилду задней подвески
rgdaudi
Новичок
Сообщения: 28
Зарегистрирован: Ср янв 15, 2014 6:57 pm
Откуда: Курск

Сообщение rgdaudi »

Саня у меня вроде есть, могу глянуть
1.8 TurboNick
Местный
Сообщения: 423
Зарегистрирован: Вт мар 27, 2012 2:48 pm
Откуда: Москва

Сообщение 1.8 TurboNick »

в вотсапе )
Аватара пользователя
Lanets
Пользователь
Сообщения: 46
Зарегистрирован: Пт ноя 09, 2012 11:48 pm
Откуда: Msk

Сообщение Lanets »

rgdaudi писал(а):Саня у меня вроде есть, могу глянуть
Андрюх, да, глянь пожалуйста.
1.8 TurboNick писал(а):в вотсапе )
Спасибо за наводку, вацапер)
Ответить