Штатный доводчик А6 С4, Электрики все сюда

Ремонт, обслуживание. Полезные советы.
Stasybakeka
Новичок
Сообщения: 17
Зарегистрирован: Сб июл 04, 2015 5:33 pm
Откуда: Артемовск

Штатный доводчик А6 С4, Электрики все сюда

Сообщение Stasybakeka »

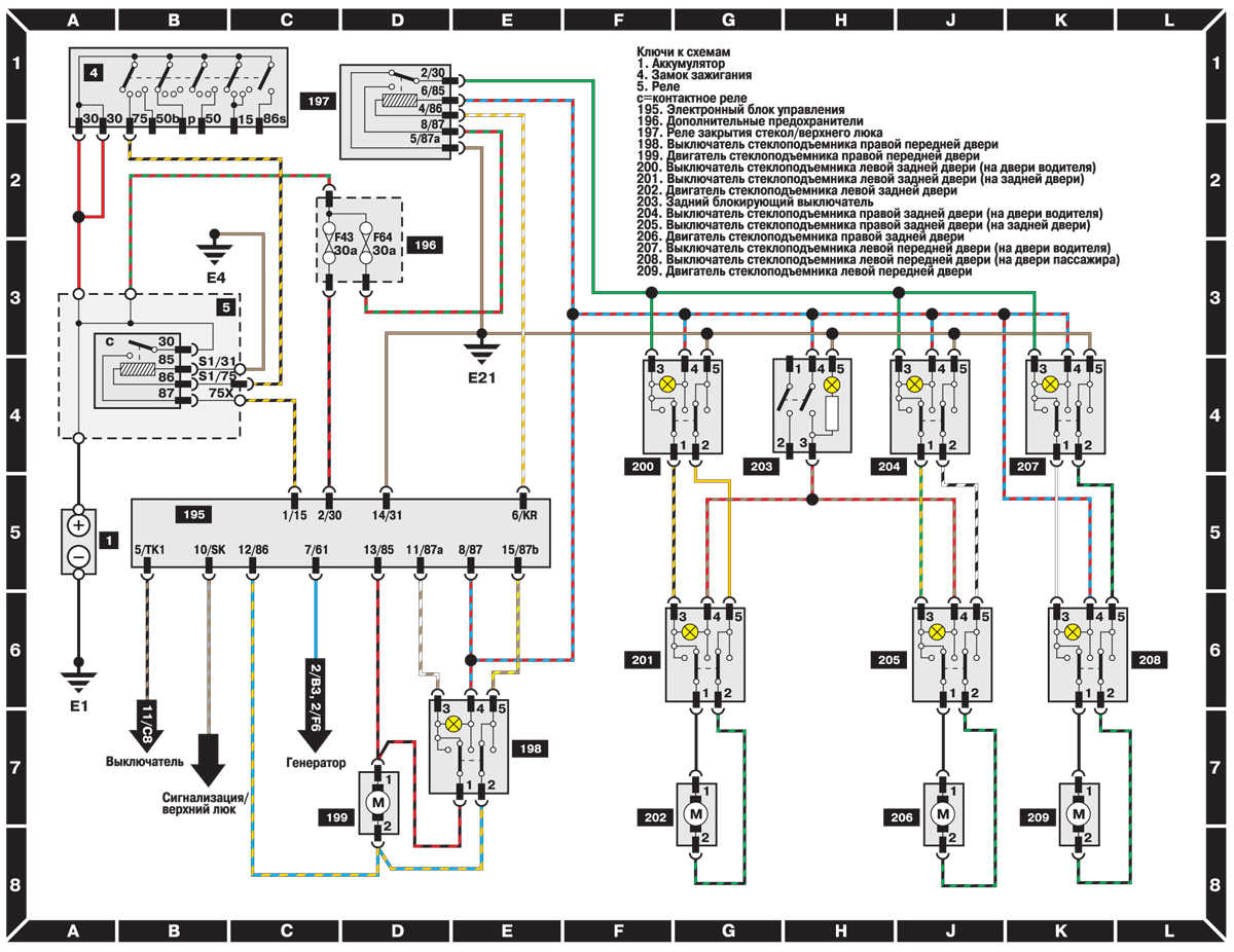
И так всем привет, захотел я поставить себе доводчик стекол, но потом узнав что есть штатный в а6/100
начал изучать вопрос и так:
при повороте ключа вправо, и держать только срабатывает ЦЗ
если нажать на вод.эл подьемник вниз — стекло самостоятельно опускается
на ключе есть кнопка(но в ней на плате что то сгорело, разбирал)
так же пимпочки есть на стойках


На просторах инета нашел тип что то этого, но как я не электрик, как и какой провод искать я хз
куда копать вообще?? может вы подробнее что то расскажете? или как реле это проверить, или какой провод искать вдруг обрыв
может сигнальщики наколдовали что то.
Спасибо
AuxiliaryRelayPanel_2_Photo.jpg
AuxiliaryRelayPanel_2_Photo.jpg
AuxiliaryRelayPanel_2_Photo.jpg
AuxiliaryRelayPanel_2_Photo.jpg
Вложения
bd2a1a4s-960.jpg
732a1a4s-480.jpg
491f0ebeedb9.jpg
Аватара пользователя
chubik75
Новичок
Сообщения: 14
Зарегистрирован: Сб фев 12, 2011 10:44 am
Откуда: minsk

Сообщение chubik75 »

Эти схемки а-100,у а-6 в связке компрессор ц/з (там мозг) и у каждого эл.ст.подъемника свой контроллер.
Аватара пользователя
Бобылев
Местный
Сообщения: 3703
Зарегистрирован: Чт сен 24, 2009 11:00 pm
Откуда: 132км Киевского шоссе
Контактная информация:

Сообщение Бобылев »

Должно быть ещё реле что в ногах именно с доводчиком....может у тебя простое стоит.
Ауди 100 v8 была...
Stasybakeka
Новичок
Сообщения: 17
Зарегистрирован: Сб июл 04, 2015 5:33 pm
Откуда: Артемовск

Сообщение Stasybakeka »

chubik75 писал(а):Эти схемки а-100,у а-6 в связке компрессор ц/з (там мозг) и у каждого эл.ст.подъемника свой контроллер.
так какие предположения ?
Stasybakeka
Новичок
Сообщения: 17
Зарегистрирован: Сб июл 04, 2015 5:33 pm
Откуда: Артемовск

Сообщение Stasybakeka »

Бобылев писал(а):Должно быть ещё реле что в ногах именно с доводчиком....может у тебя простое стоит.
проверил стоит реле, с доводчиками
Вложение 11.jpg больше недоступно
Вложения
11.jpg
Ответить