Вопрос? Ответ!

Ремонт, обслуживание. Полезные советы.
kuatro
Местный
Сообщения: 264
Зарегистрирован: Пн авг 26, 2013 9:30 pm
Откуда: Алма-Ата

Сообщение kuatro »

BlindHorse писал(а):Можно прикрутить неправильно и будет такая жопа )
Я вот пока не могу понять как она прикручивается, и как к ней подлезть.
kuatro
Местный
Сообщения: 264
Зарегистрирован: Пн авг 26, 2013 9:30 pm
Откуда: Алма-Ата

Сообщение kuatro »

Dimka V8 писал(а):тяга не надета же? видно куда она надевается?
Тягу на дроссель можно надеть только при полностью открытом дросселе и максимально вытянутой мембране) То есть дроссель потом не закрыть)
Аватара пользователя
BlindHorse
Местный
Сообщения: 15745
Зарегистрирован: Ср мар 07, 2007 7:33 am
Откуда: Анжеро-Судженск
Контактная информация:

Сообщение BlindHorse »

Вложение gbc37_20100123_1374701321.jpg больше недоступно
Вложения
gbc37_20100123_1374701321.jpg
Юр, откуда у тебя руки растут всем давно известно и факт :bs: (с) Patriot
kuatro
Местный
Сообщения: 264
Зарегистрирован: Пн авг 26, 2013 9:30 pm
Откуда: Алма-Ата

Сообщение kuatro »

BlindHorse писал(а):[ATTACH=CONFIG]29373[/ATTACH]
Вот вот, как я уже писал, одеть ее можно только при полностью открытом дросселе и максимально вытянутой мембране

Поэтому и интересует, может эту грушу можно подвинуть поближе к дросселю, или этот шток как-то регулируется по длине.
Аватара пользователя
Dimka V8
Местный
Сообщения: 5491
Зарегистрирован: Вт май 15, 2012 1:22 pm
Откуда: Воронеж

Сообщение Dimka V8 »

kuatro писал(а):Вот вот, как я уже писал, одеть ее можно только при полностью открытом дросселе и максимально вытянутой мембране

Поэтому и интересует, может эту грушу можно подвинуть поближе к дросселю, или этот шток как-то регулируется по длине.
регулировки там 1см, это не поможет. груша с тягой с этой машины?
Не хочешь слушать - ебись сам или слушай "умников" других(С)BlindHorse
Господи, неужели эта машина еще ездит??? (С)dimka13
Но самое главное эска на не аутентичной турбе превращается в детский конструктор и автоматически теряет цену.(C)Cкиталец
kuatro
Местный
Сообщения: 264
Зарегистрирован: Пн авг 26, 2013 9:30 pm
Откуда: Алма-Ата

Сообщение kuatro »

Dimka V8 писал(а):регулировки там 1см, это не поможет. груша с тягой с этой машины?
Не знаю. Видимо нет, раз иных вариантов нема.
Аватара пользователя
Dimka V8
Местный
Сообщения: 5491
Зарегистрирован: Вт май 15, 2012 1:22 pm
Откуда: Воронеж

Сообщение Dimka V8 »

IMAG1318.jpg
IMAG1318.jpg
IMAG1318.jpg
Вложения
IMAG1319.jpg
IMAG1317.jpg
Не хочешь слушать - ебись сам или слушай "умников" других(С)BlindHorse
Господи, неужели эта машина еще ездит??? (С)dimka13
Но самое главное эска на не аутентичной турбе превращается в детский конструктор и автоматически теряет цену.(C)Cкиталец
Аватара пользователя
Dimka V8
Местный
Сообщения: 5491
Зарегистрирован: Вт май 15, 2012 1:22 pm
Откуда: Воронеж

Сообщение Dimka V8 »

BlindHorse писал(а):[ATTACH=CONFIG]29373[/ATTACH]
Юр, газ плавно сбрасывает, демпфер растянут как то?
Не хочешь слушать - ебись сам или слушай "умников" других(С)BlindHorse
Господи, неужели эта машина еще ездит??? (С)dimka13
Но самое главное эска на не аутентичной турбе превращается в детский конструктор и автоматически теряет цену.(C)Cкиталец
Аватара пользователя
BlindHorse
Местный
Сообщения: 15745
Зарегистрирован: Ср мар 07, 2007 7:33 am
Откуда: Анжеро-Судженск
Контактная информация:

Сообщение BlindHorse »

Dimka V8 писал(а):Юр, газ плавно сбрасывает, демпфер растянут как то?
Ага, как положено.
Юр, откуда у тебя руки растут всем давно известно и факт :bs: (с) Patriot
Аватара пользователя
ASheff
Местный
Сообщения: 5452
Зарегистрирован: Вс фев 12, 2012 3:38 am
Откуда: РнД

Сообщение ASheff »

diesel.srt писал(а):Не погнет и не срежет. Бензин, в отличии от воды, диэлектрик и насос просто работать не будет в воде.
эх жаль.. а так хотелось )
kuatro
Местный
Сообщения: 264
Зарегистрирован: Пн авг 26, 2013 9:30 pm
Откуда: Алма-Ата

Сообщение kuatro »

Dimka V8 писал(а):[ATTACH=CONFIG]29374[/ATTACH][ATTACH=CONFIG]29375[/ATTACH][ATTACH=CONFIG]29376[/ATTACH]
Опачки. Вторая фотка навела на мысль. Благодарю, как попробую - отпишусь.
Аватара пользователя
PRO-vokator
Местный
Сообщения: 6154
Зарегистрирован: Пн сен 13, 2010 11:43 pm
Откуда: Kaliningrad

Сообщение PRO-vokator »

ASheff писал(а):эх жаль.. а так хотелось )
Сказал же блядь... шланги перекидывать нуна... :bu: :ag:
Чтобы думать - мозги нужны... ВСЕ ВОПРОСЫ на olegsmol-67@mail.ru
orenspl
Местный
Сообщения: 599
Зарегистрирован: Вт дек 18, 2012 11:01 pm
Откуда: Оренбург

Сообщение orenspl »

Какой подшипник (номер) подходит в Омеговский подвесной?
Аватара пользователя
NikOrtin
Местный
Сообщения: 4443
Зарегистрирован: Пн авг 06, 2012 9:42 pm
Откуда: Вологда

Сообщение NikOrtin »

для чего на передних эс6 суппортах, с наружней части 2 отверстия с резьбой?
Вложение lH9E7ChlQ3Q.jpg больше недоступно
защита пыльника какая то может предусмотрена?
Вложения
lH9E7ChlQ3Q.jpg
Аватара пользователя
Dimka V8
Местный
Сообщения: 5491
Зарегистрирован: Вт май 15, 2012 1:22 pm
Откуда: Воронеж

Сообщение Dimka V8 »

orenspl писал(а):Какой подшипник (номер) подходит в Омеговский подвесной?
Изображение
Не хочешь слушать - ебись сам или слушай "умников" других(С)BlindHorse
Господи, неужели эта машина еще ездит??? (С)dimka13
Но самое главное эска на не аутентичной турбе превращается в детский конструктор и автоматически теряет цену.(C)Cкиталец
Аватара пользователя
Dimka V8
Местный
Сообщения: 5491
Зарегистрирован: Вт май 15, 2012 1:22 pm
Откуда: Воронеж

Сообщение Dimka V8 »

NikOrtin писал(а):для чего на передних эс6 суппортах, с наружней части 2 отверстия с резьбой?
не замечал, фото?
Не хочешь слушать - ебись сам или слушай "умников" других(С)BlindHorse
Господи, неужели эта машина еще ездит??? (С)dimka13
Но самое главное эска на не аутентичной турбе превращается в детский конструктор и автоматически теряет цену.(C)Cкиталец
Аватара пользователя
NikOrtin
Местный
Сообщения: 4443
Зарегистрирован: Пн авг 06, 2012 9:42 pm
Откуда: Вологда

Сообщение NikOrtin »

Dimka V8 писал(а):не замечал, фото?
отредактировал, добавил
Аватара пользователя
Dimka V8
Местный
Сообщения: 5491
Зарегистрирован: Вт май 15, 2012 1:22 pm
Откуда: Воронеж

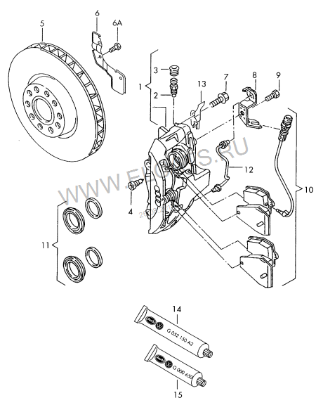
Сообщение Dimka V8 »

NikOrtin писал(а):для чего на передних эс6 суппортах, с наружней части 2 отверстия с резьбой?
[ATTACH=CONFIG]29512[/ATTACH]
защита пыльника какая то может предусмотрена?
у меня их нет! по программе тоже, но у кого то виделИзображение
Вложения
CImage.png
Не хочешь слушать - ебись сам или слушай "умников" других(С)BlindHorse
Господи, неужели эта машина еще ездит??? (С)dimka13
Но самое главное эска на не аутентичной турбе превращается в детский конструктор и автоматически теряет цену.(C)Cкиталец
Аватара пользователя
NikOrtin
Местный
Сообщения: 4443
Зарегистрирован: Пн авг 06, 2012 9:42 pm
Откуда: Вологда

Сообщение NikOrtin »

Dimka V8 писал(а):у меня их нет! по программе тоже, но у кого то виделИзображение
по схемам посмотрел перед тем как спросить... и на сходке видел у нескольких человек
Аватара пользователя
Johnny Bravo
Местный
Сообщения: 1553
Зарегистрирован: Ср мар 14, 2007 12:14 am
Откуда: Калининград
Контактная информация:

Сообщение Johnny Bravo »

NikOrtin писал(а):для чего на передних эс6 суппортах, с наружней части 2 отверстия с резьбой?
[ATTACH=CONFIG]29512[/ATTACH]
защита пыльника какая то может предусмотрена?
Скобки туда вставляются
Быстро поедешь-медленно понесут
Ответить