народ, машина стоит за городом, в город съездить пока времени нет...
а заказывать зч нужно
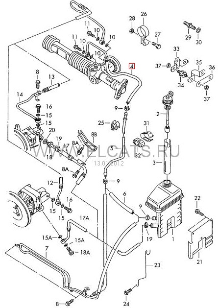
нужно достать шланг, а диаметр его не знаю, снять посмотреть пока тоже возможности нет, инструменты подвезут с зч
номер4 на рисунке, узнать бы внутренний диаметр шланга, он не с трубкой идет как на рисунке, а отдельно от трубки
и еще какой фирмы заказать насос гура, кроме оригинала интересно
подскажите диаметр шланга
в бачок приходит 9-10 мм внутреннее сечение. Внешний диаметр 14-15 мм
www.s-garage.ru если не ответил в теме пишите лучше в личку.