Kenny-rus » Вс авг 01, 2010 1:44 am
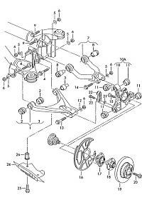
Итак... начнем с того что начал перебирать всю подвеску, перед переблася благополучно, поменял всё что угрожало подвеске и аморы B6 воткнул, с зади опорники просто умерли, в магазинах только на заказ, код переписал с детали, потом достали блоки под номером 2, прочитал код: 4b0 505 171 PX0 735 803 S2 23 DE, где его найти непонимаю такого кода нет в каталогах, неужели рычаг целиком заказывать?
- Вложения
-

- ImageHandler.jpg (13.46 КБ) 276 просмотров
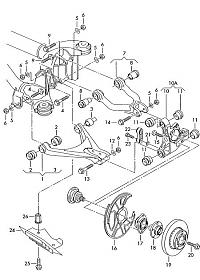
Итак... начнем с того что начал перебирать всю подвеску, перед переблася благополучно, поменял всё что угрожало подвеске и аморы B6 воткнул, с зади опорники просто умерли, в магазинах только на заказ, код переписал с детали, потом достали блоки под номером 2, прочитал код: 4b0 505 171 PX0 735 803 S2 23 DE, где его найти непонимаю такого кода нет в каталогах, неужели рычаг целиком заказывать?