Godlike_S » Пн фев 13, 2017 5:02 am
Подробнее что и как ты замерял. Реле минусом управляется и при включении зажигания этот минус висит там не все время (если машина не заведена конечно).
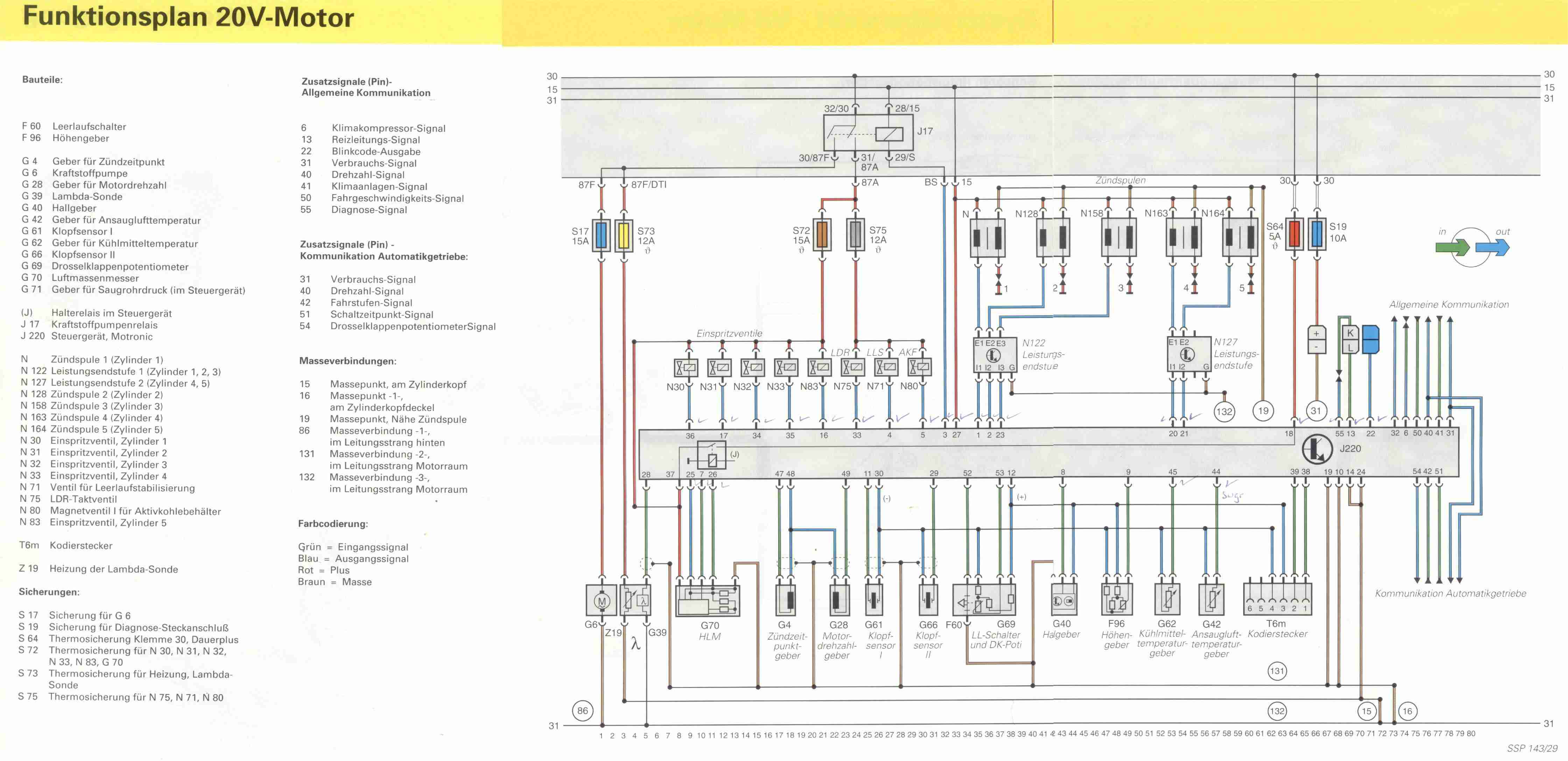
Проверяй наличие в колодке реле наличие контакта "15" (это плюс при включении зажигания) и наличие контакта "BS" (управляющий минус с ЭБУ двигателя), либо нет того либо другого, либо нет всего сразу)))
Подробнее что и как ты замерял. Реле минусом управляется и при включении зажигания этот минус висит там не все время (если машина не заведена конечно).
Проверяй наличие в колодке реле наличие контакта "15" (это плюс при включении зажигания) и наличие контакта "BS" (управляющий минус с ЭБУ двигателя), либо нет того либо другого, либо нет всего сразу)))